同 調 ボ ッ ク ス の 回 路 図 / 組 み 立 て に 関 し て
同 調 ボ ッ ク ス に 使 用 す る 部 品 一 式
ターミナル ポリ・バリコン( 340PF 2連 ) つまみ RCAジャック
延長シャフト 2.6mm / 長さ12mm 2.6mm皿ネジ / 2個 3mm / 長さ8mm 2個

ポリバリコンの端子 使わない端子は切り取ります。
残す端子はこれだけなので、間違えないように! イラストも参考にしてください。
右画像の下側に端子があります。 この端子は使いませんが、切らないで残してください。
真ん中の長い端子は共通で、両側の340PF端子を並列接続します。
部品をパネルに取り付けます 。配線については、UZ -8CQ / UZ-K1 同調ボックスの改造 な どの項をご参照ください。
部品を取り付け、半田付けします。
ポリバリコンにツマミをセットして完成です。
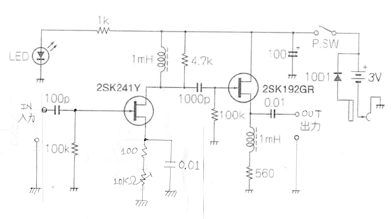
FETアンプ 主要部品セット
部 品 セ ッ ト の 内 容 この他に、ネジ類が付属します。
基板上の部品表
R1=100kΩ R2=10kΩ( 付属しますが、実際には10kΩボリュームを使うので不要 ) R3=4.7kΩ
R4=1kΩ R5=100kΩ R6=560Ω R7=100Ω( 前面スイッチと基板 R2に接続 )
RFC=1mH( 2個 )
C1=100PF C2=1000PF/102表記 C3=100μF 16V ケミコン
基板上に103と表記してある箇所 0.01μF
Q1=2SK241Y Q2=2SK192GR D=100V1A程度の整流ダイオード
完 成 し た 製 作 サ ン プ ル

電池ボックスを内蔵させるため、基板を側面に取り付けました。
この方法ではケースと基板の大きさが合わず、基板を小さめにカットする必要があります。
電池ボックスを側面に取り付ければ基板はカットする必要がなくなります。
電池ボックスと基板の位置を逆に配置する方が配線しやすいでしょう。
また、部品の配置などは各自が使いやすいように工夫して組み立ててください。
側面にBNCコネクターを配置していますが、部品セットには含まれていません。
通信型受信機に使用するなど使い方に併せて、追加部品は各自で揃えてください。
備考:このFETアンプはミズホ通信 UZ-77
ウルトラループで使用している物です。
オリジナル基板、同じ回路、部品を使用しています。
U Z - 8 C Q / U Z - K 1 同 調 ボ ッ ク ス の 改 造 な ど
この改造を施すことで、UZ-8DX( 同調部・本体アンプ )とUZ-77アンプ部を併せ持った機能になります。
電源スイッチがオフの時はアンテナ2次コイルはスルー状態になり、ラジオ( 受信機 )に直結されます。
オンにすると2次コイルはアンプ基板に入力され、2SK241と2SK192Aの2段増幅になります。
( UZ-8DXではゲイン切り換え無し、UZ-77ではスライド・スイッチでDX / LOCALの2段切り換えが出来ます。)
このセットでは、ボリュームによるゲイン連続可変としています。 可変範囲は改造前のLOCAL/DXと同じになります。
組み上がってからゲインが大きいと感じる場合は、ボリュームに直列接続している抵抗を
500Ω - 2kΩ程度に交換してください。

裏 側 の 配 線
UZ-K1オリジナルのターミナルは1次 = L1 1,2 2次=L2 3,4に接続しています。
このセットでは、2,3をショートして共通アースとします。
※ 電源オフの時に2次コイルを出力側にスルーしますが、1次コイルと共通アースにします。
改造前のUZ-77 基板の回路図
今回はループ・アンテナを使用するのでL1コイルと右横のバリコンは使いません。
100PFの箇所に2次コイルを接続します。
改造後のUZ-77基板 基板の回路図 改造前と良く見比べてください。
2SK241-YのDX / LOCAL切り換え部分を、100Ωと10kΩボリュームに変更しています。

100PFの箇所は右側の囲った部分

LEDの配線位置 LEDブラケットの極性を確認して半田付け
極性を間違えても、直列に1kΩが接続されているのでLEDは壊れません。
全 体 の 結 線 図 トグルSWは端子側から見た場合の結線です。
※ 単三電池2本で動作しますが、外部電源を使用する際の注意事項です。
電圧が安定化された電源 DC3V 容量としては50mAもあれば十分です。
ACアダプターはトランス方式でDC3V出力 50mA程度の物を使用してください。
DC3V以外のACアダプターについては、DC3Vにする必要があるので製作経験があり自信がある方は挑戦してください。
単三電池でもアルカリなら連続1ヶ月程度は持ちますが、外部に単一電池2本の電源を接続するのもありです。
出 力 結 合 ケ ー ブ ル の 加 工 方 法
左:アンテナ出力をラジオに結合するコードとRCAプラグ 右:先端を加
工

左:RCAプラグにコードを半田付け 右:コードの反対側を裂きます

左:導線をねじってから半田付け 右:上から収縮チューブを被せてヒートガンか半田ごてを当てて収縮させて完成
輪になった部分をポケットラジオ等に巻き付けて使います。
同 調 部 の 考 え 方
同調ボックスには340PF2連ポリ・バリコンが並列接続されていて、最大容量は680PFになります。
L1 / 1次コイルは、この2連ポリ・バリコンに接続して中波帯で同調する仕組みです。
最大680PFの時に最低同調周波数を520kHzとするには、
L1 / 1次コイルのインダクタンスは138μHが必要です。
一方、最高同調周波数は2MHzまでは問題なく同調範囲に入ります。
まずは身近にある段ボール箱で試作して、感覚が掴める様になったらホームセンター等で木材を調達して本格的なループ・アンテナに
する事をお勧めします。
注:巻き枠は金属製は使用しないでください。 木材、プラスチック材が最適です。
段ボール箱を利用した時のL1/1次コイルの巻数の参考例を示します。
段ボール箱の大きさ
|
1次コイル
|
2次コイル
|
70 X 75cm
|
8回
|
1回
|
60 X 40cm
|
9回
|
1回 |
40 X 40cm
|
11回 |
2回 |
備考:セットの線材は余裕を持って多めに切ってあります。
巻き線の巻き方について
線材は密着させて巻かずに、5 - 10mm程度の間隔を空けて巻いてください。
L2 / 2次コイルはL1 / 1次コイルの横に巻きます。
使い方
アンテナ部分の製作を終えたらL1、L2の先端の被膜を剥いて、同調ボックスのターミナルに接続します。
結合ケーブルをRX端子に挿して、結合ループをラジオに1,2回巻き付けます。
通信形受信機やアンテナ端子付きのチューナーの場合は、結合ループの先端の被膜を剥いてターミナル等に
接続してください。
UZ-K1はL1 / 1次コイルとポリ・バリコンで目的の周波数に同調した時に最大の威力を発揮します。
ループ・アンテナには指向性があるので、向きを変えながら最適な位置を探ってください。
応用例として、475kHz受信用と兼用するには同調ボックスのL1 / 1次コイル端子に100PFセラミックコンデンサを挿し込む事で
同調が取れます。
段ボール箱に巻く場合・・参考になるかどうか?
Apple iMac 24インチの外箱が有ったのでこれを利用しました。
1周約2.6m( 70 X 60cm )にビニール線を巻いています。
たままたリールに巻き取った残りを使って14周 約36.4mになっています。
ちょっと巻きすぎなので、ここから適切な長さに調整します。
ここまではどうでも良い内容です。
適当に段ボール箱に巻き付けた場合、線間が一定にならず巻きづらいです。
そこで、ダイソーなどで売られている滑り止めシートを利用します。
四隅にテープで貼り付けますが、8mm間隔程度に綺麗に巻くことが出来ます。
線が横にずれることも無いので、簡単に巻くことが出来ます。