全 国・電 波 ホ ッ ト ス ポ ッ ト 探 検 隊
良く聴こえる中波帯ゲルマニウム・ラジオ 全部品セット
電池管( 3Q5GT )による検波と切り替えて使用出来ます。
手づくり感満載のラジオを作ってみませんか?
1.5V単一電池1本でフィラメントだけを点灯させて検波します。
部屋を暗くすれば、微かなオレンジ色でフィラメントが点灯しているのが確認出来ます。

完 成 例
大きな誘起電圧を得る為に、180 X 10mmのフェライト・ロッドを5本束ねました。
太いリッツ線をたっぷり採用して高感度になりました!
ラジオ製作で基本中の基本のラジオです。
これは初級から中級レベルの製作です。
数量を限定して用意しました。
手順通りに巻けば、必ずうまく出来ます。
注:ゲルマニウム・ラジオは電源を使わないラジオです。
増幅回路が無いので電波が弱い場所( マンション内の部屋等 )では受信出来ません。
その場合は、ベランダで試す、外部アンテナを使う、公園等でお試しください。
ビルやマンション周囲の柱、ガードレール、交差点の信号灯、歩道橋などの金属部分に
バー・アンテナを近づけると、大きな音で聞こえる場合があります。
注 意 事 項
この部品セットは、穴開け加工と半田付け作業が必要です。
半田付けが初めての方は、周りに経験者がいないか探しましょう。
半田付けの経験が無い場合は、この機会にトライしましょう!
出来ない、作れないでは何時まで経っても進歩しません。
この部品セットを足がかりにして、様々な電子工作にチャレンジしましょう!
注:この部品セットを組み立てて、夏休み等の宿題・課題などで使ってはいけません。
組み立てに関する説明書はありません。
このページに記載している内容が全てです。
製作のサポートはしていませんので、ここから始まる画像付きの説明を見てください。
製作出来そうにないと思ったら、メーカー製のラジオを購入してください。
必 要 な 工 具
プラス・ドライバー マイナス・ドライバー ニッパ ラジオペンチ
半田ごて( 基板とスイッチ周りは30 - 40W リッツ線は60W程度 ) 半田
カッター・ナイフ 糸のこ ハンド・ドリル テスター
ドリル・ビット( 1.5Φ 3Φ )
一番大事なものは・・・製 作 す る 人 の や る 気 と 根 気

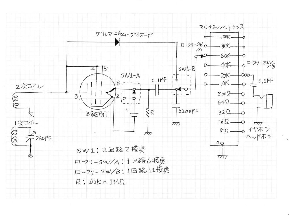
基 本 回 路 図

備考:3Q5GTはフィラメントが1.5Vと3Vで使用する場合の結線が変わります。
1.5Vの場合・・2 - 8間 または 7 - 8間になります。 出力はPin-8になります。
3Vの場合・・2 - 7間 出力はPin-7になります。
小型化するには1.5Vで動作させる方が良いでしょう。
● 中波帯ゲルマニウム・ラジオ 全部品セット ¥14,800 送料¥600 品切れで次回の予定が立っていません。
予約後に部品を用意します。 予約無しに来店されても当日はお渡し出来ません。
電池管/3Q5GTとゲルマニウム・ダイオード/D311検波を切り替えられる様にしたラジオです。
フィラメント点灯用の単1電池1本で動作します。
検波後の負荷抵抗を6段階( 10kΩ / 20kΩ / 40kΩ / 60kΩ / 80kΩ / 100kΩ )に切り替え、最適な状態にする事が出来ます。
3Q5GT検波出力のRは100kΩから1MΩの間で最適値を探ってください。
さらに8Ωから100kΩまでのスピーカー、レシーバー、セラミック・イヤホンなどで聞く事が出来ます。
2つのロータリー・スイッチを交互に動かして、音質の違いを体感出来ます。
ここまで出来るゲルマニウム・ラジオはあまり見かけないと思います。
電池管とゲルマニウム・ダイオードによる検波で、どちらがどんな音質になるのか体感出来ます。
堅い? 柔らかい? 製作した貴方だけが判ります。
真空管( 電池管 )と聞くと、高電圧が必要ではないか? 感電しないか? 心配しなくても大丈夫!
ヒーター ( フィラメント )を点灯させるだけなので、乾電池1本しか使いません。
だから感電する心配がないので、安心して製作が出来ます。
完 成 し た 画 像
180 X 10mmのフェライト・ロッドを5本束ねた強力バー・アンテナ!
部品セットの内容
●
バー・アンテナ 部 品 リ ス ト
1,フェライト・ロッド 180 X 10mm 5本
2,パイプ 外径34mm 長さ185mm 1本
3,パイプ固定用スタンド 2組
4,リッツ線 0.06mm X 360本 6m
5,リッツ線 0.04mm X 100本 5m
6,保護用透明テープ 50cm
7,がたつき防止用丸棒 18cm
● 検 波 回 路 部 分
1,ゲルマニウム・ダイオード ロシア製 D311
2,2200PF セラミック・コンデンサ 水色
3,コンデンサ 1μF
4,マルチタップ・トランス( 8Ω - 100kΩまで11タップ )
5,1回路12接点ロータリー・スイッチ
6,1回路6接点ロータリー・スイッチ
7,蛇の目基板 TNF-44-69
8,モノラル・ジャック
9,セラミック・イヤホン 貴重な国産品
10,260PFポリ・バリコン 延長シャフト・取り付けネジ付き
11,全国・電波ホットスポット探検隊のバッジ付きつまみ
12,配線材料
13,電池管 3Q5GT KENRAD社製 デッドストックの新品 箱無し
14,3Q5GT用 GTソケット
15,抵抗 100kΩ/220kΩ/330kΩ/470kΩ/1MΩ 各1本
16,単一電池ホルダー
17,2回路2接点トグル・スイッチ
● 台 パネル
1,アルミ・パネル 50 X 200 X 1.5mm 穴開け加工はありません。
2,木製台 穴開け加工はしていません。
3,L型金具 2個
4,基板取り付けネジ・スペーサーなど一式
備考:パネルに貼るシール等はありません。 ミズホ通信研究所のシールだけ付属します。
ご希望の方は、数量限定のためメールで事前にお知らせください。
一部部品が品切れになった場合は、しばらく日数が掛かります。
自分で製作する楽しみを持ってもらうための、部品セットです。
どうしても完成品じゃないと嫌な場合は、組み立て済み完成品も用意ができます。
納期:1 - 2週間 部品セット価格¥14,800 に 組み立て価格¥10,000が加算されます。
品切れで次回の予定が立っていません。
---------------------------------------------------------------------------------------------------------------
● バ ー ・ ア ン テ ナ の 製 作 手 順

使用する部品です。
セット内容の白い棒は、径:8mm 長さ:180mmです。 補強用テープが50cm付属します。
1次側コイルを巻く前の準備・・・最初にテープを切ります。

50mm幅 長さ:50cmを7つに切ります。
長さ:15cmを2枚 長さ:1cm幅5cmを2枚 1cm幅15cmを2枚 残りは予備
パイプ端から30mm離して太いリッツ線を1cm幅15cmのテープで固定します。
注:リッツ線は20cmほど余裕を持って巻きます。
1次側 0.06mm 360本のリッツ線を使用します。
線幅92mmになるまで巻きます。 巻き終えたら、セロテープで端を仮留め
これで約350μHが得られます。
巻き終えた部分を1cm幅5cmテープで固定します。
2次側 0.04mm 100本のリッツ線を使用します。
2次側は20cmほど余裕を持って、1cm幅5cmテープで固定してから巻きます。
コイルが完成したら、パイプにフェライト・ロッドと白丸棒を入れます。
両側をエポキシ系接着剤で固定します。

パイプにフェライト・ロッドを入れた画像
がたつかない様に、中心に丸棒を入れています。
さて、ここで興味ある課題です。
下に掲載した完成画像A と B 1次コイルの処理方法の違い・・
Aは巻き始め方向に戻して、テープで補強
Bは巻き終わった近くでテープで補強
どちらが正解か? 性能が良いのは?

完成画像 A

完成画像 B
巻き終わりの線の処理方法による性能の違いを実測してみました。
処理方法の違いだけで、フェライト素材とリッツ線は同一の物です。
|
500kHz
|
800kHz |
1.0MHz
|
1.2MHz
|
1.4MHz
|
1.6MHz
|
画像A
|
353μH
Q572
|
369μH
Q278
|
385μH
Q204
|
406μH
Q164
|
435μH
Q130
|
474μH
Q96
|
画像 B
|
349μH
Q667
|
355μH
Q334
|
361μH
Q260
|
368μH
Q218
|
378μH
Q183
|
389μH
Q153
|
線を沿わせるか沿わせないかで、これだけの変化があります。
正解は、Bです。
● リッツ線の半田付け処理
この作業は部品の位置決めをして必要な長さから少し余裕を持たせた長さに切り取ります。
半田付け処理はその後からにします。
リッツ線は少し長めに入れてあります。 半田のコツを掴むまで、何回か練習するのが早道です。
何事も1回でうまく出来ると思ってはいけません。

部品セットに含まれるリッツ線 ふんだんに用意出来るのは、当店くらいかも。
段ボールを用意します。 15 X 15cm程度必要です。 段ボールの上で作業をします。
半田ごてを最低でも5分以上通電してから半田付け作業をしてください。
太いリッツ線は、容量の大きな半田ごて( 60W )が理想です。
30W程度では十分に加熱してから試してください。
何度か練習してもうまく仕上がらない場合は、半田ごての容量不足が考えられます。
大きめの半田ごてで一気に作業する方が綺麗に仕上がります。
注意事項:半田付け作業の終わった段ボールは、燃えない様に気を付けてください。

半田付けの例
そのまま半田付けすると、下側の様に拡がってしまいます。
まとまり良く半田付けするには・・・

リード線を1本リッツ線に巻き付けてから半田付けします。
細いリッツ線はそのまま半田付けしてもうまく出来ると思います。
● マルチタップ・トランスの端子説明と取り付ける際の注意事項


1 - 2ピン間の直流抵抗は約2Ωです。 裏側とはピン側から見てと言う意味です。
蛇の目基板に取り付ける場合は、基板の穴を1.5mm程度に拡げる方が無難です。
テスターで0Ωのピンを確認してください。

トランスのリード線処理 抵抗等のリード線で半田付け端子を作ります。
好みにより、直接リード線をトランスに半田付けしてもOKです。
太めの針金等を通して、リード線を引っ張り丸い端子状にします。

基板のレイアウト例 製作しやすい様に各自でアレンジしてください。
左側:ラグ端子が両側に2つづつ配置してあります。 上がGND側のジャンパ 下がダイオード( 向きはどちらでもOK )
トランスの左下が0Ω( GND側 )です。
右側:ラグ端子の上側ジャンパとトランスの0Ωを接続するのを忘れない様に!
次は、トランス周りの配線

トランスの右側から、0 - 8 - 16 - 32 - 64 - 300Ωです。
0Ω側から、黒 茶 赤 オレンジ 黄 緑のリード線を半田付けします。

青 紫 灰 白 黒 茶のリード線をリング上にして両端を予備半田します。

トランス左側から100k - 80k - 60k - 40k - 20k - 10kです。
左から、リング状にした 茶 黒 白 灰 紫 青の順に半田付けします。

ロータリー・スイッチのシャフトを糸のこで切り落とします。
ネジ部分の突起も根元からニッパで切り落とします。

ここで使ったマルチタップ・トランスを単独で使用する場合は専用基板も用意しています。
1枚 ¥500 同時注文 または 過去に当店からマルチタップ・トランスを購入された方に限ります。
★★★★★★★★★★★★★★★★★★★★★★★★★★★★★★★★★★★★★★★★

重さ:1135グラム

後ろから見た画像
-------------------------------------------------------------------------------------------------------------------
小型バー・アンテナを使用した中波帯ゲルマニウム・ラジオ
全部品セット 販売予定数を終了しました。

部 品 セ ッ ト の 内 容
タカチ TNF53-79 基板 ポリ・バリコン( 延長シャフト・ネジ・つまみ ) イヤホン・ジャック 出力トランスET-30
ロシア製ダイオード D311 120mmバー・アンテナ( 完成品 ) アンテナ・ターミナル( 赤・黒 ) セラミック・イヤホン( プラグ付き )
1000PFコンデンサ 配線材料等は含まれていません。

完 成 見 本 上部左右の丸い金具はストラップ用( 部品には含まれていません )
バー・アンテナは径:10mm 長さ:120mmです。

回 路 図
ダイオードの極性は矢印がどちらでも動作します。
ET-30 トランスのリード線は赤と黄を逆にしても動作します。
音量が多少違うので、好みで入れ替えてください。
●せっかく製作しても性能が発揮出来ないバー・アンテナの配線を回路図の下に参考として追加しました。
雑誌などで紹介されたり、ホームページ等で多くの人が製作していますが・・・
1次コイル( 白・黒 )と同調コンデンサの組み合わせに力を注いでも、残念な事にこの部分にゲルマニウム・ダイオードを接続すれば
ゲルマニウム・ダイオードの検波部以降のインピーダンスが低いために、選択度低下と音量低下が起こります。
検波出力を低インピーダンスのセラミック・イヤホンに直結した場合は顕著な差が出ます。
コイル部分は1次コイルは同調だけ、2次コイルで検波回路と分ける事で改善出来ます。
1次コイルは別巻きにしなくても、タップ形式にしても同様の改善が出来ます。
1次コイルだけで検波する方法と2次コイルで検波する方法を試してみてください。
聞こうとする放送局の信号が弱いほど、効果がはっきり分かると思います。
高感度に仕上げるなら、このダイオードしかありません。

ロシア製 D311 ミリタリー規格
ゲルマニウム・ラジオで良く使われる1N34 / 1N60 と順方向電圧を比較した結果を見れば一目瞭然です。

他のダイオードと比較して、順方向電圧が低いのが大きな特徴です。
同じ順方向電圧で比較すると、取り出せる電流値が全く違います。
0.2Vで比較すると、取り出せる電流は4 - 6倍と大きいのが分かります。
基板に取り付ける前に部品の足を加工します。
これは参考例なので、各自でやりやすい様に工夫してください。

バー・アンテナの取り付け部分 両側の黒い部分を根元からニッパ、爪切りなどで切り取ります。

トランスの足も直角に曲げます。

トランスの取り付け足の幅に合わせて、抵抗のリード等を利用して輪を作りトランスの足を挟んで締め付けた後で半田付けします。
これでガタガタしなくなります。

トランス取り付け後の様子

左から右に・・・リードを直角に曲げます。

リードを直角に曲げ、長さを揃えます。

1次側:白・黒 2次側:赤・緑
1次側、2次側の極性を考えなくても問題ありません。
配線の都合が良い方を使用してください。

外部アンテナ接続用コイル・・アンテナ側、アース側の極性は有りません。
どちらに接続しても問題有りません。

ダイオード D311の極性

イヤホン・ジャックの裏側
端子が3つ有りますが、使うのは上と右下の2つの端子です。
極性はどちらに接続しても問題ありません。

ストラップ等で首からぶら下げる場合、衣服に裏面の半田部分が引っかからない様に薄いプラスチック板などで
カバーします。 厚手( 厚み2mm程度 )の強力タイプ両面テープで固定します。
応 用 例

検波電流をメーター( 200μAフル・スケール )で見える様にしています。

検波電流をマルチメーターで測定出来る様にしたラジオ
マルチメーターのフルスケール199.9μAで測定します。
マルチメーターは処分品を¥108で買った物。
-------------------------------------------------------------------------------------------------------------------
鉱 石 ラ ジ オ や ゲ ル マ ニ ウ ム・ラ ジ オ に
時 代 考 証 な ど に も 最 適 !

MIDLAND No.21-301 クリスタル・ヘッドホン( 片耳部分のみ ) 日本製 在庫数:1
インピーダンス:85kΩ
感度は低下していますから、当時の雰囲気作りのパーツと考えてください。 ¥3,500
SONY DR-1C ソニーのヘッドホン 最初のモデル
1 0 k Ω ス テ レ オ 仕 様 ( 片 側 1 0 k Ω )
1本のみ ¥50,000 送料¥800
ゲルマニウム・ラジオはモノラルなので、結線を並列接続に変更すれば5kΩ 直列だと20kΩとしても使用出来ます。
1965年前後の製造で50年経過しているとは思えない程度の良さです。
金属部分にはさびが無いと言って良いくらいです。
耳あてのウレタンは固めです。

塗装部分にはがれが少し有ります。

左側の上、カバー部分が少し内側に曲がっています。 右側・・錆びは有りません。
-------------------------------------------------------------------------------------------------------------------
戻る