FMゲルマニウム・ラジオ 部品セット
移動受信用・簡易ダイポール・アンテナ 部品セット
M O D E L F M - G R 1 K
スロープ検波でFM放送を聞くことが出来ます!
但し、モノラルでHifiでもステレオ音声でもありません。
2021年11月発売 CQ hamradio別冊 QEX Japan誌 No.41に掲載されました。
製 作 過 程 の ペ ー ジ 最終更新日:2024年9月1日
出力トランス ET-30が販売中止になり、同等仕様のトランス MT-30で代用する場合があります。

完 成 画 像 ※シールは含まれていません。

部品セットを実際に組み立てる過程を画像で紹介します。
穴開け加工・半田付けが必要です。
製作に関する資料は、これ以外にはありません。
回路図と画像を参考にして製作してください。
組み立てに関してのサポートはありません。
このページの内容を見て組み立てに不安を感じたら諦めてください。
この部品セットを組み立てて、FM放送が製作者の居住地で確実に受信出来る
保証は一切ありません。
近くにFM放送局、FM中継局がなければ受信する事は難しいです。
中波放送帯のゲルマニウム・ラジオと比較すると、難易度が上がります。
私の居住地で受信出来ますか?などの質問には回答が出来ません。
FMワイアレス・マイクなどを受信するのも良いかもわかりません。
限定数量の販売を終了しました。

部品セット画像 コイルは巻いてあります。

ケースは黒とライトグレーのどちらかを注文時に指定してください。
部品リスト
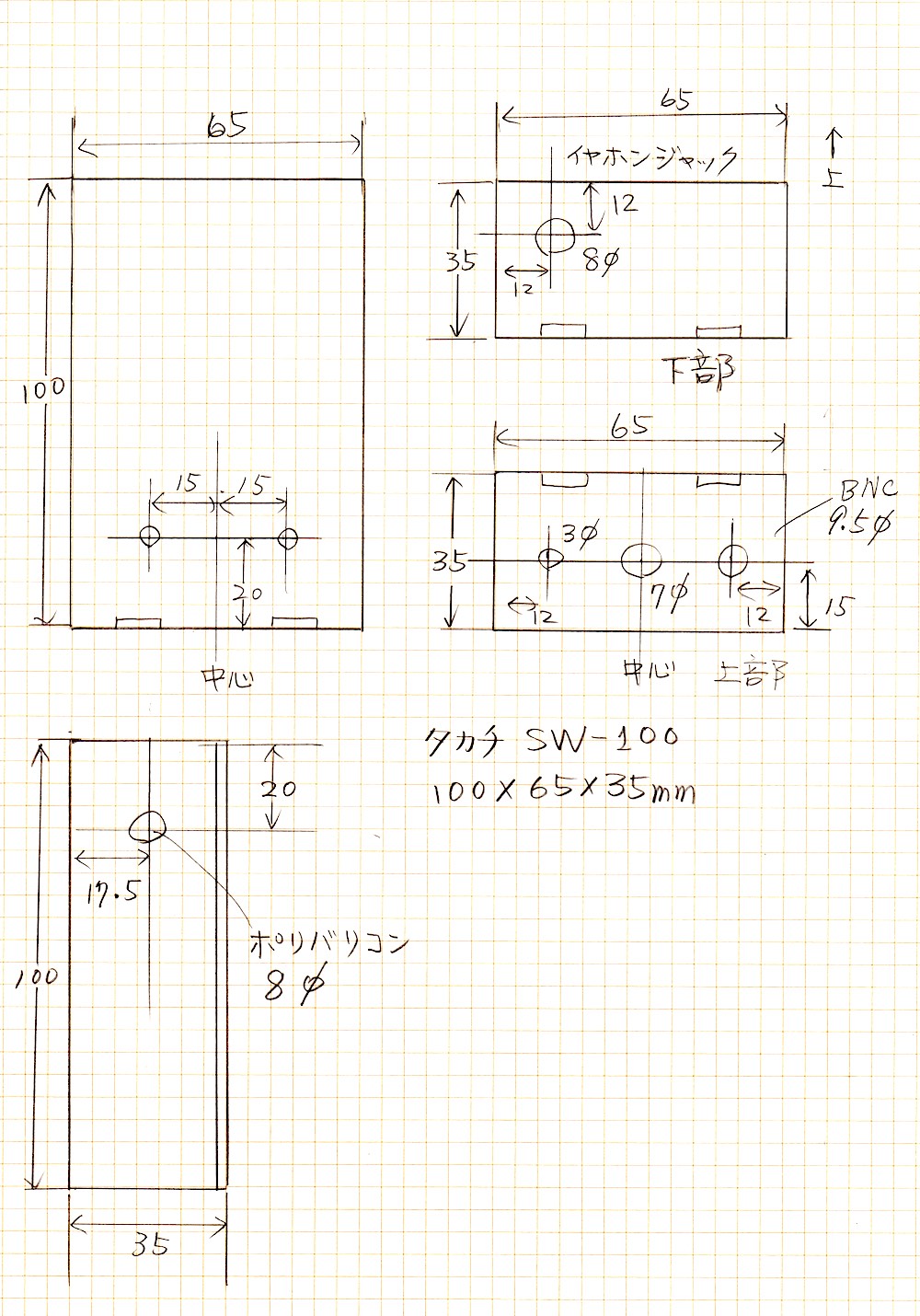
1,タカチ SW-100 ケース 65 X 100 X 35mm 穴開け加工は無し
2,約3PF ポリ・バリコン 取り付けネジ付き ※特殊
3,ゲルマニウム・ダイオード NEC SD60(大) ハムフェア会場販売版のみ●1SS99(小)がおまけ付きです。
4,100PF セラミック・コンデンサ( 100PF以外のコンデンサになっている場合があります ) → 貫通コンデンサで代用するので不要
5,1000PF貫通コンデンサ
6,ET-30( ST-30相当品 ) → ET-30が販売中止になり、同仕様のMT-30トランスに変更の場合もあります。
7,BNC型メス・コネクター
8,ロッドアンテナ 全長:約96cm 収納時:約19cm 7段
9,イヤホン・ジャック
10,コイル線材 1.0Φ UEW線/約80cm
11,セラミック・イヤホン プラグ付き ※国産ですが形状は一周り小さい物になります。
12,同調つまみ( ミズホ通信時代のオリジナル ) 六角レンチで留めます。
13,平ラグ板 3P
14,ネジ類
15,銅張・片面基板 銅箔部分が共通アースとなります。
16,タカチ CR-20 キーリング( ストラップ取付用 ) ※ストラップは含まれていません。
※12のつまみは在庫数が少ないので、無くなった場合は代替品になります。
※ポリ・バリコン 最大容量:2.6PF 最小容量:0.9PF 測定周波数:1MHz NF ZM2376 LCRメーターで測定
※コイルは巻いた状態でケース内に入れるので、パイプの用意は不要です。
同時購入時のオプション ゲルマニウム・ダイオード / ショットキー・ダイオードの追加オーダーが出来ます。
※在庫数が少ないので、各1本まで
●ゲルマニウム・ダイオード 少量在庫
東芝 1N60 ¥100 NEC SD46 ¥100
●ショットキー・ダイオード 少量在庫
NEC 1SS99 ¥100

回 路 図
QEX Japan誌 No.41に掲載してある回路図にはトランス中点とアース間に100PFを接続しています。
貫通コンデンサを使用しているため、100PFが有っても無くても大差はありません。
穴開け加工は各自でお願いします。部品配置は各自が作りやすい様にアレンジしてください。
半田付けは30W程度の半田ゴテを使用してください。
同 調 回 路 部 分 コ イ ル 資 料
同調コイル 1.0Φ UEW線 25Φのパイプに7回巻く 仕上がり径:30mm程度に拡がります。 コイルの幅:25mm程度
コイル部分の両端はヤスリで被膜を落とし、半田付け
ゲルマニウム・ダイオードを接続するポイントはアース側から2回目、3回目に。
同様に被膜を落として、半田付けします。
※UEW線( ポリウレタン線 )は直接半田付けできますが、径が太い場合は事前に被膜を落としてから半田付けする方が
綺麗に仕上がります。 直接半田付けする場合は、40W以上の半田ごての使用をお勧めします。
アンテナ側の結合コイル 1.0Φ前後 UEW線 直接半田付け出来ます。 ※このコイルデータは参考値です。
最初はこれで試し、各自が満足するまでコイル径やコイル間隔、結合を変えてください。
25Φのパイプに2回巻く 仕上がり径:30mm 調整時にコイルの幅:5mm から 20mm程度まで変えてみる。
アンテナ側の結合コイルを同調コイルに結合させ、信号が一番良く受信出来る場所を探します。
検波ダイオードの接続点は、同調コイルのアース側から2回、3回目にタップを設けています。
どちらが良いかは実際に受信して決めてください。
※参考画像 試作段階でコイルの同調特性を調べているところ ↓
5PFバリコン 最大容量で77.70MHz
この後にバリコンを変更しています。
QメーターでコイルのインダクタンスとQ値を測定してみました。 三田無線 Qメーター 661を使用
こんな感じで測定
測定周波数:25.16MHzにおいて インダクタンス:約1.25μH Q値:約170
※実際に使用するのは76-95MHzなので、測定結果は参考値になります。
ゲルマニウム・ダイオード Germanium Diode
上から◎東芝 1N60 ◎NEC SD34 SD46 SD60 ◎日立 1N34A
この部品セットには上から4番目のNEC SD60を使用しています。
※手持ちのゲルマニウム・ダイオード または ショットキー・ダイオードなどでテストするのもお勧めです。

ショットキー・ダイオード 参考画像 ※販売品ではありません。
上から◎NEC 1SS99 中◎HP 5082-2340 下◎HP 5280-2606
出力トランス部分
サンスイ( 現、橋本電機 )ST-30 12.5kΩ: 50kΩの相当品 ET-30を使用します。
※出力トランス ET-30が販売中止になり、同等仕様のトランス MT-30で代用する場合があります。
このページに掲載しているET-30の部分をMT-30に置き換えてください。

ET-30(左)とMT-30の違い 大きさは半分くらいです。
MT-30の大まかな仕様 10 - 20mW程度は使えそうです。
直流抵抗 白-赤=約580Ω 赤-緑=約637Ω 白-緑=約1217Ω
インピーダンス 白-赤=約12.5kΩ 白-緑=約50kΩ
白=GND/アース 赤=検波出力に 緑=イヤホンへ

予め、足を曲げて半田揚げします。

ジャンパ線は抵抗のリード線を利用します。

横3ヶ所をジャンパします。

ジャンパ線は少し折り曲げて落ちないようにします。
100PFセラミック・コンデンサを取り付けます。
※100PF以外の容量になっている場合があります。
※この100PFは不要の為、セットに含まれていません。

トランスの足を半田付けします。
※ET-30からMT-30に変更しました。
ET-30とMT-30はリードの色が異なりますが、使い方は同じです。

横から見ると・・

リード線が長いので短く切る・・但し、細いので自信が無ければ長いままにします。

緑がアース側 赤が12.5kΩ(ゲルマニウム・ダイオードに接続)
黄が50kΩ(セラミック・イヤホンに接続)

下側3ヶ所も半田付けされているか確認します。!
※特に真ん中のジャンパとハトメが半田付けされているかを確認します!
半田付け後の最終確認 トランスの半田不良、断線のチェック
緑( トランスの足部分、アース部分 )と赤 および 赤と黄 580Ω前後
緑と黄 1180Ω前後

予め、5cm程のリード線を半田付けします。
約3PFポリ・バリコン シャフトの加工
※この特殊なポリ・バリコンは今後の入手が出来ないため、無くなれば部品セットは終了します。
ローレット軸が長く、つまみを取り付けた場合隙間が空いてしまいます。
隙間を開けたくない場合は、金ノコでシャフトを少し切断します。
※ポリ・バリコン 最大容量:2.6PF 最小容量:0.9PF 測定周波数:1MHz NF ZM2376 LCRメーターで測定
ケースの穴開け タカチ SW-100の参考例 各自でアレンジしてください。

※ケースは若干の傾斜があります。 画像を参考に現物合わせをして穴を開けてください。

ポリ・バリコンの穴は最初に2 - 3Φくらいの穴を開け、ケース裏側に基板を密着させて基板側にペンで印をします。
その後、ケースと基板に8Φまで穴を拡げます。 基板の厚さは0.8mmなので加工は容易です。
※注意! 製作サンプルは基板の位置をケース下側に合わせています。
上側にする方がBNCコネクター(アース端子)の半田付けがしやすくなります。
ケースの画像も参考にしてください。
ケースに部品を取り付ける

予め、BNCコネクター ポリ・バリコンとロッドアンテナに使用する端子を半田揚げします。
基板は半田の乗りが良いですが、端子を半田揚げしておく事で綺麗に仕上がります。


BNCコネクターを固定するのに便利な工具( 販売品ではありません。) 名称:BNCコネクター用ボックス・レンチ?
コネクターの突起部分を挟むので、堅く締め付けが出来ます。

このBNCコネクターの場合はGND側の金具のベロ部分が短いので、ポリウレタン線の残りを利用して基板と半田付けしてください。
ケースの厚みによりネジの締め付けに余裕が無い場合は、ワッシャ無しで固定してください。

ポリ・バリコンとBNCコネクターのアース側端子を基板に半田付けします。
※基板の位置が左詰めになっていてBNCアース端子がぎりぎりなので、右詰めにして穴開けしてください。
コイルを半田付けし、同調範囲の確認をします。
同調コイルの特性 1.0ΦUEW線 コイル径:30mm 巻数:7回
ポリ・バリコン つまみの位置
最大容量 左側いっぱい 約75MHz
中間容量 中間の位置 約87MHz
最小容量 右側いっぱい 約100MHz
注:これはディップ・メーターで同調部分だけを測定した例で、アンテナ側の結合やコイル幅を変えたり、
ゲルマニウム・ダイオードを接続すると同調周波数は前後にずれます。
完成後、実際に受信して周波数範囲を確認します。
※巻数を4回にすると115MHz程度から150MHz程度まで同調します。
航空無線( 118 - 136MHz )を試したい場合は、コイルを変更してください。

ロッド・アンテナ端子とBNCコネクター、結合コイルの半田付け
同調コイルの2巻目、3巻目にゲルマニウム・ダイオードを半田付けします。
2巻目が良いか3巻目が良いか、実際に受信してから決めてください。
※この部分は製作者が納得するまで、別のタップ位置でも試してください。
最初に1.5 2 2.5 3 3.5巻目に半田揚げしておくと良いと思います。
アンテナ側の結合コイルは、実際に受信しながら同調側コイルとの間隔を調整して良く聞こえる位置にします。

貫通コンデンサは半田メッキされていますが、基板に半田付けしやすくする為に左の様に半田揚げします。

基板に貫通コンデンサを半田付けします。 ※基板側にも半田揚げがしてあると綺麗に仕上がります。

ゲルマニウム・ダイオードと貫通コンデンサを半田付け、トランスの中点端子( 赤リード )に接続します。
2021年12月9日 QEX誌に掲載された内容の質問がありました。
(1)貫通コンデンサが使用されておりますが、何故 貫通型を使用するのでしょうか。
(2)普通の 1000pF では まずいのでしょうか。
普通の1000PFでも良いのでしょうが、画像を見てもらえれば答えが見つかります。
ダイオードを固定するのが目的です。
この場合は回路図だけで考えてはいけません。
誌面の画像では分かりにくいので、このページをお知らせしました。
トランス部分を取り付けます。
イヤホン・ジャックを取り付け、トランスからのリード線を半田付けします。

実際の同調範囲の様子を見る場合は・・・
1ターン・コイルを作りトラッキング・ジェネレータ-付きスペアナで同調範囲を確認してみました。
コイルに負荷となるダイオードとトランスが接続された実働状態に近い測定です。
ポリ・バリコン最大容量で74-76MHz コイルの幅が変わると多少変化
ポリ・バリコン最小容量で95-96MHz付近になりました。
同じコイルデータで数台製作して、ほぼ同じ傾向の再現性です。
※この1ターン・コイルは販売品ではありません。

完 成 ! ※シールは含まれていません。
受信時のつまみの位置 ↓ ↓ ↓



大体の位置です。 左から、80MHz付近 90MHz付近 ワイドFM帯/93MHz付近
※
ポリ・バリコンは360度回転します。 左側9時の位置が最大容量、右側3時の位置が最小容量です。
完成後、信号強度を確認するためにダイオードの検波電流を測定したい場合は・・・部品は含まれていません。
但し、送信所の近くで無いと電流はほとんど流れません。
メーターは50μA程度の物で足りると思います。 送信所と至近距離で強電界の場合は、分流器を考慮してください。
ダイオード検波出力とET-30トランスの間の電流を測定します。
測定しない時はジャンパ・ピンを挿しておきます。※ジャンパ・ピンは移動中に無くさないように注意!
必要な部品 ピン・プラグ / ピン・ジャック ジャンパ用配線材 テスター( μAが測定できる物 )
メーターでもOKですが、持ち運びには大きくて不便なので小型のデジタル・テスターが便利です。
移動受信用・簡易ダイポール・アンテナについて
BNCコネクターは2素子-8素子の八木・宇田アンテナや、ロッド・アンテナの簡易ダイポールに接続します。
ロッド・アンテナ1本でも使えますが、FM放送波は水平偏波なのをお忘れ無く。
アンテナを水平にして受信するのをお忘れ無く!
ゲルマニウム・ラジオの基本的な使い方は、アンテナとアースに接続します。
ロッドアンテナは全長96cmになります。 これでFM放送各局の1/4波長に合わせます。

東京地区・放送局の周波数と波長の関係
●移動受信用・簡易ダイポール・アンテナ
ロッド・アンテナを2本使った製作例
使用時は両方向にロッド・アンテナを取り付け、良く受信出来る地点を探ります。
ロッド・アンテナの長さは、各放送局の波長に合わせてください。
完成画像 簡単ですが、効果はあります。

部品セットの内容
限定数量の為、予約販売になります。1組 ¥2,800 販売終了しました! 通販はレターパックで¥520
秋葉原店で購入される場合は、事前にメールのみで日時をお問い合わせください。
電話での問い合わせは対応出来ません。
注意! 問い合わせ無しに来店された場合は、当日に用意が出来ません。
部品リスト ※組み立てに関しての説明書( 印刷物 )はありません。
1,全長96cm ロッド・アンテナ 2本
2,塩ビパイプ 短 X2 長 X1 T型 X1
3,BNCコネクター オス 1.5D2V用
4,1.5D2V 約2m
5,角形スペーサー X2
6,M3 25mm ネジ X2
7,M3 ナット X2 スプリング・ワッシャ X2
8,卵ラグ X2
9,パイプ・キャップ 黒 X1
組み立て説明書はありません。

角形スペーサーに卵ラグを取り付け、1.5D2Vの芯線と外被に半田付けします。
パイプ内に角形スペーサーを収納すると隙間が出来るので、一工夫が必要です。

隙間に入れる楊枝を数本用意します。 ※楊枝は含まれていません。

隙間にエポキシ系接着剤を流し込み、固まるまで一晩放置します。
BNCコネクターの取り付け方は秋葉原の無線機専門店のロケットさんで紹介されています。
http://www.rocket-co.jp/ham/bnc_conne-make.html Web
http://www.rocket-co.jp/ham/pdf/bnc-connector.pdf PDF版
東 京 地 区 限 定 の 調 整 方 法
きちんとした信号発生器が無い場合は、東京タワー横の芝公園や芝・増上寺で実際に受信してつまみの位置を調整するのがベストです。 近くのコミュニティFM局を利用するのも良いです。
TOKYO FM / 80.0MHz INTER FM / 89.7MHzでつまみの位置を合わせやすいです。
スカイツリーからの電波を受信する場合は、いろんな場所で受信テストしてみてください。
どこで確実に受信出来るのかは回答できませんので、 自分自身の足で歩いて都内23区全域を確認してください。
高いビルに昇る機会があれば、試すのも良いと思います。
秋 葉 原 に 近 い 場 所 で 実 際 に 使 用 し て み て

場所:JR中央線・お茶の水駅 秋葉原・聖橋方面出口 信号を渡った正面にお茶の水ソラシティの小さな展望台です。
左手は新宿方向、右手は秋葉原方向です。

信号を渡った目の前 右奥は、お茶の水ソラシティ
この場所では東京スカイツリーから送信されている5局が受信出来ました。 直線距離は4.2km
ニッポン放送/93MHzが一番強く、J-WAVE/81.3MHz NHK/82.5MHzは弱めでした。
受信テストは日曜で、車がほとんど通らず騒音が無くて良かったです。
周りの騒音が気になる場合は、イヤホンは両耳タイプにしないと聞きづらいと思います。
※うまく受信するコツ 最初に受信地点から送信所方向を確認します。 騒音が少ない場所を探そう!
1ヶ所でどこかの局が聞こえた場合、アンテナの位置を前後左右上下に10cm位の間隔で移動させてより良い受信状態になるようにします。
局を変えた場合は、同じ作業を繰り返します。 僅かな位置の変化で受信状態が大きく変化します。
ソラシティの横を走る本郷通りを下って、靖国通りに出ます。
右に曲がり、少し進むと三菱UFJ銀行があります。 その付近はスカイツリーが良く見えます。
レ点印付近でも良く聞こえます。
組み立てても受信出来ない( 音声が聞こえない )場合は
配線に間違いが無ければ、同調範囲の調整不足と受信地点の問題が99%以上を占めます。
電源を使わないラジオなので電波を増幅することが出来ません!
近くにコミュニティFM局があれば、試してください。 出力が20Wと低いので、送信所近くまで移動しましょう。
多素子アンテナ( 3 - 8エレメント )を使う、FM放送帯域の受信ブースターを併用するなどの工夫が必要です。
Eスポが発生し遠くのFM局が聞こえるなんて言う夢物語は、FMゲルマニウム・ラジオでは99.99%は無いでしょう。
FM放送帯の受信ブースターはリサイクル・ショップで安価に販売している事もあるようです。
( TV共聴システム用ブースターは、FM放送帯から地上デジタルTV放送帯までカバーしている製品があります。)
どうしても受信出来ない場合はFMワイアレス・マイクを併用するか、FMゲルマニウム・ラジオの製作例として展示しましょう。
ここが重要!
音声に歪みがある、うまく復調出来ない場合はアンテナの設置位置を前後左右と上下にずらして試しましょう!
周波数と波長の表を参考に1/4波長以内でずらします。
放送局を変更する度に調整が必要です。
電源を使うトランジスタ・ラジオなどは電波を増幅したりAGC回路で電波の強弱であまり音量差が出ないようになっていますが、ゲルマニウム・ラジオはそんな回路はありません。
微妙な到来電波の強弱で受信結果が大きく変わります。
TOKYO FMとINTER FMの実際の受信動画
受信地:東京都港区 芝公園

正面の木の向こうに東京タワーが、右側が芝・増上寺です。
INTER FMを受信している動画 SVID_20210911_155604.mp4
移動用の簡易ダイポール・アンテナを回転させて、受信した音声の変化が分かります。
アンテナの向きと長さ(波長に合わせる)・前後左右・上下の位置と放送局毎の波長の違いにより、受信環境が大きく変化します。
目の前に送信所があっても、うまく受信出来ない事もあります。
東京タワーの地上330m付近から電波を出している事も関係しています。
この位置ではINTER FMがTOKYO FMより大きな音で聞こえます。
アンプ内蔵のスピーカーを使って聞こえやすくしています。
ホーン・スピーカーなどを使っても良く聞こえます。
Hifiでもステレオ音声でも無いですが、公園内でBGM替わりにして読書なんかも良いかも。
FMゲルマニウム・ラジオ( ゲルマニウム以外のダイオードも可能 )で受信した動画を募集中です。
このページに掲載させていただきます。
お ま け
●本物の鉱石で受信できるのか? 試してみました。
鉱石ラジオと言いながら、ゲルマニウム・ダイオードを使用している例が多くあります。
部品名は正しく認識しないと混同しますから要注意です。
本物の鉱石(黄鉄鉱)で実際に受信出来るのか、復調できても音質はどうなのかを試しました。
その時の受信した動画もありますから、文末の参考資料のURLをご参照ください。
鉱石はあまり感度が良くないですが、送信所間近では聞くことが出来ました。
鉱石のポイント探しに少し時間が掛かりますが、音質は悪くないと感じました。

鉱石を使った本物のFM鉱石ラジオ

鉱石固定部分 良く聞こえるポイントを針先で探します。
これが本物の無電源で聞こえるFM1石ラジオです。
●本物のFM鉱石ラジオ・実際の受信動画 http://mizuho-lab.com/fm/SVID_20210916_142440.mp4
屋外で音量不足を補うため、アンプ内蔵のスピーカーを使用しています。
●FMゲルマニウム・ラジオなどの紹介ページ 全国・電波ホットスポット探検隊
JG1UNE 小暮さんのページ http://hotspot-tanken.club/kogure/radio.html
JR1OAO 中島さんのページ http://hotspot-tanken.club/nakajima/radio.html