
4PF エア・バリコン
最初の試作品です。
最初はこのバリコンで作ってみようかと。 最大4PF 最小2.5PF 変化量1.5PFと少ないのが難点です。
コイルのインダクタンス0.45μHにすると、最低118MHz 最高150MHz程度の同調範囲になります。
コイルの径を大きめにしてQ値を稼いでみます。

径15mmのパイプにこれくらいだろうと適当に切ったら0.40μHで少し隙間を縮めたら0.45μHに。

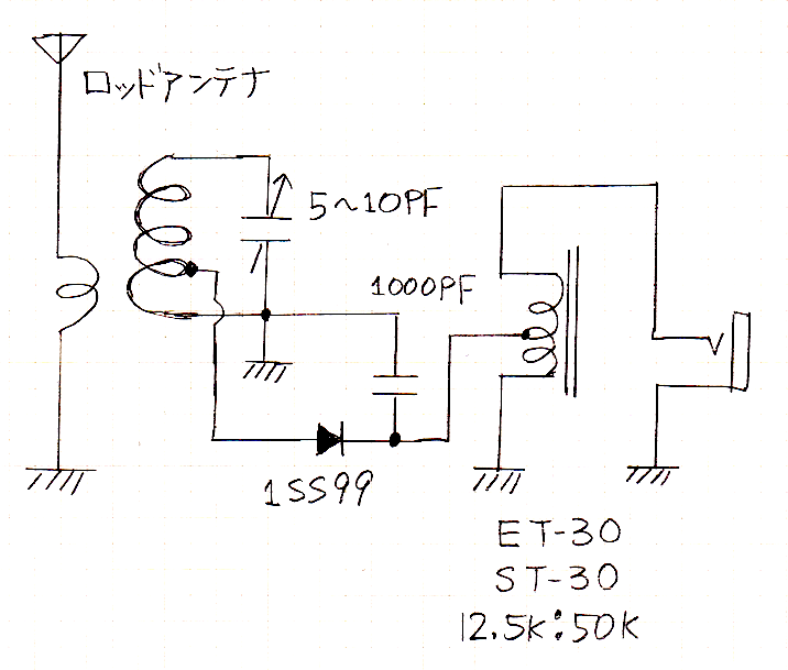
GND側から2ターン目にダイオードを半田付け、出力側は1000PFを介して最短距離に。
あとは実際に受信してコイルの幅を変えて調整

まず、実際の回路で周波数範囲の確認
15mm径のパイプに6回巻いたコイルではバリコン最大容量で108MHz 最小122MHzに。

巻き数を5回にして同調範囲を調整するも、今度は高くなりすぎなので・・
バリコンに1PFを並列接続してコイル幅を調整して、最大130MHz 最小118MHz程度になりました。
これで同調部を終わりにして、今度はロッドアンテナとの結合部分を考えます。
基本はゲルマニウム・ラジオと同じなので、製作は見ての通り簡単です!
一番の難関は同調周波数の調整作業です。
検波部分も半田付けしてからディップ・メーターで同調周波数を確認。
ディップ・メーターを使うのが一番簡単な測定方法。
実際に回路を組んで、同調周波数をイヤホンでモニターします。
( ディップ・メーターに変調回路が内蔵されているか、変調可能な機種である事。)
三田無線 DELICA X-VHS 1.5 - 230MHzを6バンドでカバー
ディップ・メーター 動作中!
このディップ・メーターには変調回路が無いので、自作した外部変調器(右の黄色シール)で変調を掛けています。
※ 外部変調器は、茨木悟氏著のグリッド ディップ・メーターの使い方を参考に製作
製作したラジオを少し離して変調音が一番強くなるところが共振点です。
目盛は年代物なので、周波数カウンターで最終確認が必要。 大きくズレてはいないと思いますが・・
製造後約50年経過して、どの位ズレているかチェックしてみました。

ディップ・メーターの目盛を120MHzにして118.74MHzです。
航空無線の周波数帯で調整するなら、目盛の位置は120MHz - 138MHzの範囲で。
下限を120MHzに設定し、上限はバリコンとコイルの幅調整次第となります。
半世紀前の測定器だから、優秀ではないかな。
そ の 他 の バ リ コ ン


中古・取り外しの5PFエア・バリコンを入手したので、1歩前進状態 2019-04-29

端子に線をからげて半田付けしてあるので、取り外して清掃
取り付け金具付きだが、シャフトが短めなので延長シャフトを使うか?

左の長さ30mmを予定

30mm延長シャフトを取り付け
ツマミが取り付けできないので延長シャフトは必須
何年か前に見つけたシャフト付き 小型バリコン max,4PF
ツマミも大型にして廻しやすさを狙う。 約53mm径
こまめに長期間探さないと見つからないのが難点
ローコストを狙うなら・・・FM用2連ポリ・バリコン 20PF
これなら壊れても直ぐに取り替えが効くのでお勧めかも。 しかし、良質な物が入手難!
プリント基板用 10PFトリマ
溝がある部分に2.6mmネジとスペーサーを組み合わせて半田付け。 ダイアル・ツマミに接続できる工夫が必要
素材は銀メッキなので半田は容易 国内某無線機メーカーで使用している国産で品質は良好です。
回転させるには堅めなので大型ツマミが望ましい。
● 基 本 回 路 を 組 み 立 て る 製作サンプル品

今回は100 X 100 X 15mmの木板にアルミ板を組み合わせた。

アンテナ結合コイル部分 コイルはタイト製端子に取り付け
アース部分は1.5C2Vの外被を利用 銅なのでスズメッキ線よりは良好なはず。
コイル端子に10PFを半田付け

出力トランス ET-30 12.5k:50k ( サンスイ ST-30相当品 )

組み立てが完成したところ ツマミは45mm径で廻しやすい
緑のビニール線は1.2mのラジアル・アースとして、またはBNC芯線側につないで簡易ループとして

ロッド・アンテナを取り付けるとこんな感じ
最 終 確 認
●同調部の周波数範囲を再調整 ディップ・メーターで変調を掛けて
●アンテナ結合回路の周波数調整 ディップ・メーターで変調を掛けて
さて、羽田で聴く事が出来るでしょうか?
現場は離発着時の騒音が大きいと予想されるので、事前の対策が必要です。
セラミック・イヤホンを両耳タイプにする。
出力に小型アンプを接続し、ヘッドホンで騒音の影響から逃れる。
118 - 136MHz ロッド・アンテナ
BNC型ロッド・アンテナ 延ばした全長約120cm
ハ ム フ ェ ア 展 示 用 の 最 終 形 は
FM放送帯 76 - 90MHz / 90 - 95MHz( ワイドFM ) FM変調
航空無線帯 118 -136MHz AM変調
2バンド 2モード( AM / FM )対応の無電源ラジオを予定しています。